| |
|
Preparación del metal en la
clínica: Microarenado ó grabado electrolítico
|
| El grabado del metal debe ser un proceso meticuloso realizado por el
técnico dental ó el odontólogo. El proceso consiste en generar una
porosidad superficial de la base metálica suficiente para que el
agente de enlace la penetre y produzca la retención micro-mecánica
necesaria para que el puente no sea desalojado en su eje de inserción,
durante la función masticatoria..(ver
adhesión) Existe en la actualidad dos proceso
de micro-grabado:
- A- El grabado electrolítico
- B- El grabado por micro arenado.
|
- A- El grabado electrolítico se
produce cuando el metal es sometido a una diferencia de
potencial de 12 a 15 voltios y a una carga de 300 miliamperes
por centímetro cuadrado en una solución de acido sulfúrico
al 10% de concentración, durante 10 minutos
Está técnica necesita de una aparatología especial y se debe
cumplir los siguientes pasos:
- Se limpia el puente ya terminado con una solución
detergente durante 10 minutos en una cuba de ultrasonido.
- Se enjuaga con agua destilada por otros 10 minutos, para
eliminar los restos del detergente, en baño ultrasónico.
- Se seca con jeringa libre de aceite.
- Se coloca el electrodo positivo a la pieza, verificando
un óptimo contacto.
- Se aísla con cera pegajosa las zonas del metal que no se
desean grabar
- Se introduce el puente en la solución grabadora y se
pasa la corriente eléctrica de 12 a 15 voltios, 300
miliamper durante 10 minutos.
- Luego se introduce en una cuba de lavado ultrasónico, en
una solución de ácido clohídrico al 15%, durante 5 minutos.
- Se verifica el patrón de gravado con una lupa y con la
jeringa se vierte agua en la zona grabada y con aire a
presión se observa que se evapore en forma secuencial,
mostrando los poros producidos durante el grabado, al secado
tiene un aspecto de escarchado característico.
- En el paso siguiente se sumerge en agua helada para
fracturar la cera pegajosa y desprenderla del puente, sin
contaminar la superficie grabada.
- Se debe proteger en un contenedor adecuado para evitar
la contaminación hasta su cementado.
- Las superficies grabadas do deben tocarse con los dedos,
porque puede ser factor de interferencia durante el cementado;
produciendo su despegue al poco tiempo.
Aparato utilizado para el grabado
electrolítico:
- Indicador de voltaje
- Indicador de miliamperaje
- Temporizador
- Potenciometro
- Llave de encendido
- Electrodo positvo en contacto con el puente
- Electrodo negativo contacto en
con la placa de acero inoxidable
|
 |
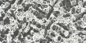
- Grabado electrolítico de una aleación de niquel
cromo, magnificada a 625 aumentos por el
microscopio de barrido electrónico (SEM )
- En este caso se utilizo una solución de ácido
nítrico al 0.5 molar, con una carga eléctrica de 250
miliamperes por centímetro cuadrado, durante 5
minutos. Luego se realizó la limpieza con una
solución de ácido hidroclorhidrico al 18% en una
cuba ultrasónica, durante 10 minutos
-
Bibliografía: Etched
casting acid etch composite bonded posterior bridges
Van P. Thompson, DOS, PhD Gus J. Livaditis,
DBS, MS (pdf)
En Argentina se
comercializó durante un tiempo la aleación Nibón (cromo-niquel)
de la empresa Macrodent S.A. y las soluciones
ácidas grabadoras y de limpieza. La solución ácida
grabadora era una solución de acido sulfúrico al 10% que
generaba un patrón de grabado similar al ácido nítrico.
Ver imagen derecha |
 |
|
|
|
|
|
| Solo se necesita un microarenador y una campana de arenado.
Se utiliza un polvo de de oxido de aluminio de maya 220 a 320 a
una presión, entre los 4a 6 Bar. (56,4 a 84,6 libras por pulgada
cuadrada) La exposición o aspiración del óxido de aluminio es
perjudicial para la salud (silicosis); por ello el uso de esta
técnica debe llevarse a cabo, en un ambiente ventilado y con una
campana de arenado.
Muchos colegas suelen arenar los metales en boca del
paciente, como los pernos muñones metálicos y puentes para
reemplazo de carillas luminoactivadas. Para esta situación es
indispensable contar con un aspirador de alto volumen Ver
imagen inferior.
|
|
- Grabado realizado por arenamiento
con partículas de óxido de aluminio de 50 micrones: Observe el
aumento de la rugosidad, esto hace que se duplique o triplique la
superficie de contacto metálica. En la fotografia se muestra la
escala de 0.2 mm
- Bibliografía:
Resin-bonded bridge A practitioner's Guide
W M Tay Editorial Martin Dunitz Ltd 1992
En Argentina la empresa Tecnodet S.A.
comercializa los productos para el microarenado. |
 |
|
Aspecto clínico del micro-arenado con
partículas de óxido de aluminio 220. |
|
|
|
|
|
|